Note: This discussion is about an older version of the COMSOL Multiphysics® software. The information provided may be out of date.
Discussion Closed This discussion was created more than 6 months ago and has been closed. To start a new discussion with a link back to this one, click here.
e-core transformer simulation
Posted 2013年11月28日 GMT+1 15:18 Low-Frequency Electromagnetics Version 4.3 0 Replies
Please login with a confirmed email address before reporting spam
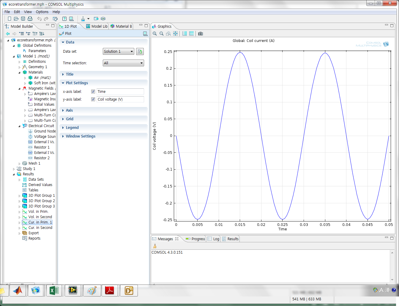
Everything worked. But, after solving, graph was wrong.
Induced current and voltage of prim.coil graphs are normal, sine graph,
but graphs of secondary coils are wrong.
There is no curve, only zero state.
What is wrong with it?? I did all thing in the manual.
Please let me know who solve this problems.
p.s. I have comsol 4.3 version. That model was 4.3a ver.
Is it one of the reason??
Hello Jeon Jiyun
Your Discussion has gone 30 days without a reply. If you still need help with COMSOL and have an on-subscription license, please visit our Support Center for help.
If you do not hold an on-subscription license, you may find an answer in another Discussion or in the Knowledge Base.
